:quality(75)/2023_11_24_638364233885316458_timer-xa-da-tu-lanh-la-gi-cong-nghe-thong-minh-dieu-khien-do-lanh-tien-ich.png)
Timer xả đá tủ lạnh là gì? Công nghệ thông minh điều khiển độ lạnh tiện ích
Timer xả đá tủ lạnh là gì và tại sao nó trở thành một công nghệ đáng chú ý? Trong thế giới ngày nay, công nghệ ngày càng phát triển, và điều đó cũng áp dụng vào lĩnh vực sản xuất tủ lạnh. Một trong những tính năng thông minh và tiện ích mà nhiều mẫu tủ lạnh hiện đại tích hợp đó là Timer xả đá.
Timer xả đá tủ lạnh là gì?
Timer xả đá tủ lạnh là một tính năng được tích hợp trong thiết bị, cho phép người dùng kiểm soát chu kỳ xả đá tự động. Thay vì việc đá rơi xuống khay một cách liên tục, timer xả đá cho phép người dùng cài đặt chu kỳ thời gian xả đá theo ý muốn.
Tính năng này giúp ngăn chặn tình trạng lạnh đá tích tụ quá mức, làm bẩn tủ lạnh và tăng cường hiệu suất năng lượng. Bằng cách kiểm soát lượng đá được tạo ra, người dùng có thể duy trì không gian bảo quản thực phẩm sạch sẽ và an toàn hơn. Timer xả đá tủ lạnh đồng thời cung cấp sự linh hoạt, cho phép người dùng tuỳ chỉnh theo nhu cầu sử dụng của họ.

Cấu tạo và nguyên lý hoạt động của chế độ timer xả đá tủ lạnh
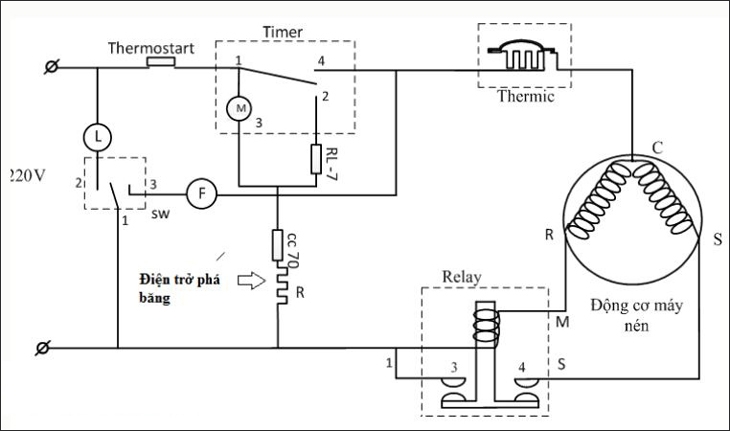
Cấu tạo của chế độ timer xả đá tủ lạnh
Timer bao gồm các thành phần sau:
- Động cơ điện xoay chiều 1 pha M: Thực hiện nhiệm vụ như động cơ máy nén.
- Trục động cơ.
- Bánh răng giảm tốc độ truyền động.
- Bánh cam với tốc độ xoay là 1 vòng/24h.

Nguyên lý hoạt động
Khi bạn cung cấp nguồn điện cho tủ lạnh, tiếp điểm 1 - 4 của timer sẽ đóng, đưa động cơ M quay đến thời điểm phá băng.
Sau đó, trục cam sẽ tác động để mở tiếp điểm 1 - 4, đồng thời đóng tiếp điểm 1 - 2.
Khi dòng điện chạy qua rơ-le -7, cầu chì 70 và đi qua dây điện trở, dây điện trở sẽ làm nóng dàn bay hơi để kích hoạt quá trình xả đá.
Tuy nhiên, khi nhiệt độ của dàn bay hơi vượt quá -7 độ C, rơ-le -7 sẽ mở tiếp điểm, ngừng cấp điện cho điện trở xả đá.
Lúc này, timer với điện trở sẽ tiếp tục quay, và sau 15 phút, tiếp điểm 1 - 2 sẽ mở ra và tiếp điểm 1 - 4 sẽ đóng lại, cung cấp nguồn điện cho máy nén tủ lạnh tiếp tục quá trình làm lạnh.

Vị trí của chế độ timer xả đá tủ lạnh
Timer xả đá tủ lạnh có thể được đặt ở nhiều vị trí khác nhau tùy thuộc vào mô hình cụ thể. Thông thường, nó có thể được bố trí trong ngăn rau củ quả hoặc ở phía sau lưng tủ, gần hộp điện kế bên máy nén, tuỳ thuộc vào thiết kế và cấu trúc của từng loại tủ lạnh.

Chức năng của timer xả đá tủ lạnh
Timer xả đá tủ lạnh thường được thiết kế với chức năng chuyển nguồn điện từ máy nén sang điện trở xả đá. Quá trình này giúp làm tan lớp băng tuyết tích tụ trên dàn lạnh bằng cách ngắt điện cấp cho máy nén và thay vào đó cấp điện cho điện trở xả đá.
Phương pháp kiểm tra tính hoạt động của timer xả đá tủ lạnh
Để kiểm tra tính trạng của timer xả đá tủ lạnh, bạn có thể thực hiện các bước sau:
Sử dụng đồng hồ thang đo để đo điện trở giữa chân cuộn dây (chân 1 và 3). Tiếp theo, xoay trục timer cho đến khi có tiếng "tít tít". Sau đó, đo điện trở tại tiếp điểm cấp nguồn cho hệ thống xả đá, tức là giữa chân 3 và 2.
Khi điện trở đọc được ở mức vài Ohm, hãy nhẹ nhàng xoay trục đến khi nghe thấy tiếng "tít tít" lần thứ hai. Sau đó, đo điện trở giữa chân 3 và 4, là tiếp điểm cấp nguồn cho máy nén.
Những bước trên giúp bạn đánh giá tính trạng hoạt động của timer xả đá và kiểm tra xem nó còn hoạt động đúng cách hay không.

Lợi ích của timer xả đá tủ lạnh
Timer xả đá tủ lạnh mang lại nhiều lợi ích quan trọng, bao gồm:
Timer xả đá giúp giảm mức độ tạo băng tuyết trên dàn lạnh, giảm tải làm lạnh và làm tăng hiệu suất năng lượng của máy.
Bằng cách giảm thiểu lượng băng tuyết trên dàn lạnh, timer xả đá giúp giảm áp lực và công suất làm lạnh lên các bộ phận của máy, từ đó gia tăng tuổi thọ của máy lạnh.
Ngăn chặn sự tích tụ của băng tuyết giúp không gian lưu trữ bên trong tủ lạnh luôn sạch sẽ và thoải mái cho việc sắp xếp thực phẩm.
Timer xả đá giúp ngăn chặn việc đóng băng thực phẩm trong tủ lạnh, đảm bảo thực phẩm không bị hỏng và giữ được chất lượng.

Kết Luận
Bài viết trên đã giải đáp đầy đủ thông tin Timer xả đá tủ lạnh là gì? Đây là một tính năng thông minh, đem lại sự tiện ích và hiệu suất năng lượng tối ưu. Việc lựa chọn một mẫu tủ lạnh tích hợp timer xả đá không chỉ là việc đầu tư vào sự thuận tiện mà còn là sự đảm bảo cho an toàn và chất lượng của thực phẩm bạn bảo quản trong tủ lạnh. Hãy trải nghiệm sự tiện lợi và hiện đại cùng với tính năng này!
Nếu bạn đang tìm kiếm một tủ lạnh mới hoặc các sản phẩm điện máy gia dụng khác, FPT Shop là sự lựa chọn hoàn hảo để bắt đầu hành trình mua sắm của bạn. Với uy tín vững chắc và cam kết mang đến dịch vụ chất lượng, FPT Shop không chỉ là đối tác mua sắm đáng tin cậy mà còn là nguồn cung cấp đa dạng và chất lượng cao, với nhiều sản phẩm khác nhau.
Xem thêm:
:quality(75)/estore-v2/img/fptshop-logo.png)